If im not mistaken, what it means is that the missile has 2 motors. 1 will fire on launch, the other later during flight to recover speed or something
It’s not that it has 2 motors but it can fire twice, the propellant is segmented in such a way that it can be ignited on command, in theory you can have more than 2 pulses, but 2 is most common in AAM.
Not to be confused with what the IRIS and ASRAAM use which is propellant gradients to achieve different thrust curves with time.
It appears there is a bug where I cannot maintain the data link despite the target being displayed on the radar scope. Is this just my imagination?
The presence or absence of DL is displayed as “o+’ ‘’”,as shown in the image below. If the DL is disconnected, it is displayed as “o”.


I prefer BVR gameplay, so I spend a lot of time looking at the radar scope. I often feel that even enemies being tracked in TWS ESA have their data link disconnected for some reason and are displayed as “o”. Should I report this issue?
If proof is actually needed, since TWSESA doesn’t support server replays, you have to constantly run OBS, generate massive recording data, and play the game.

these get funnier every time i check them
Seriously, what did they do to the FM? The EF now struggles in a first-merge (gets outturned because nearly every other fighter plane pulls harder now???) and a rate-fight against a Su-27/30/MiG-29 is a chore if it comes to that because the enemy throws his chance at the first merge. Rollrate feels decreased too for some reason and the strange behavior at high speed turn is still there… Instead of 90° roll and fly a curve it behaves like it’s on a bobsled roller coaster drifting to the side and up. This caused more than one time to gain >100 meters height and slip out of the multipathing which in turn got me killed.
they did nothing
the EF FM didnt change in months
Nothing which got noted in the changelogs, but I can tell you it feels completly different. Things which were easy a few weeks ago are now impossible or extremly difficult (turnfights). The maneuverability changed so drastic that I at first collided with the ground a few times when flying very low because it’s way less snappy to inputs and much more sluggish than it used to be. You can’t follow the terrain as good anymore.
Nothing has changed nothing in the datamines at all
Does asraam have datalink?
Unkown about Blk6, but Blk1 is 99% likely no.
It would be weird if ASRAAM did have datalink since MBDA lists datalink in CAMM, MICA, and other missiles but omits datalink as a feature in the ASRAAM.
So no LOAL capability ? Nvm
Yes, but uses IOG and not DL. With a 90 degree Gimball limit, in HOBS shots it would be able to acquire targets fast
Personally, im expecting no LOAL. Only LOBL, which would both limit range to lock range and HOBS to Gimball limits for all these new missiles if/when they are added. Seems like a fair way to level the playing field a bit and prevent them from becoming too oppresive
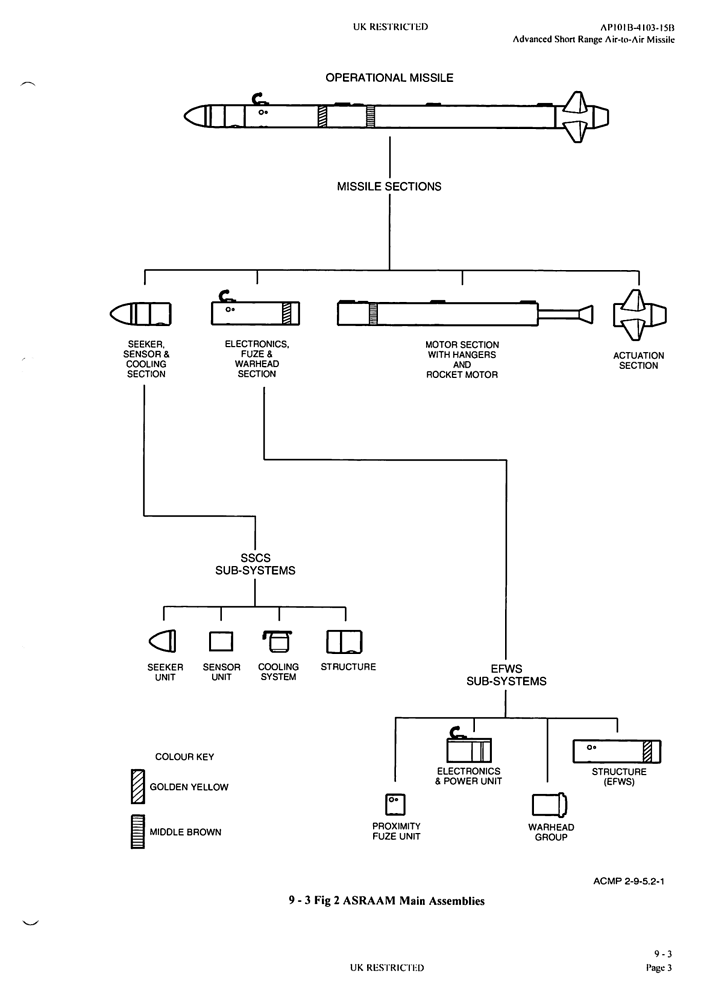
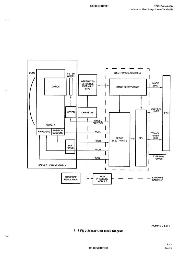
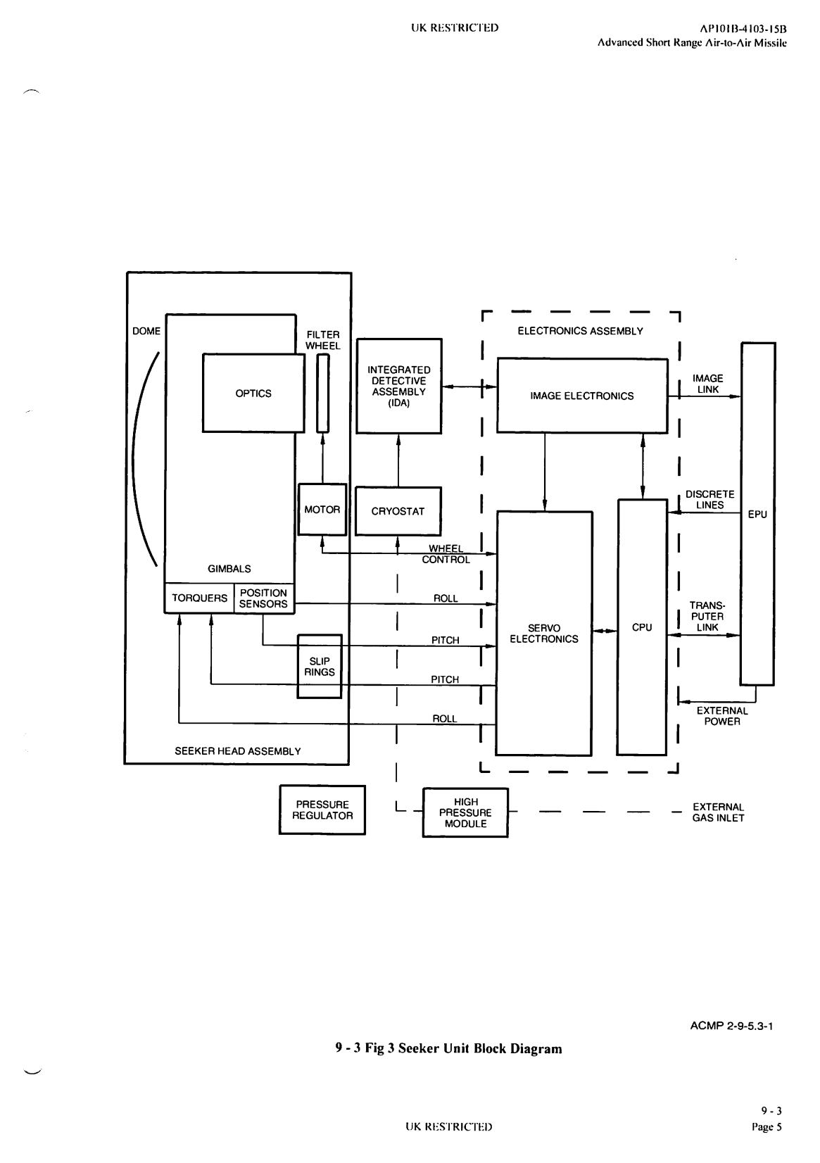
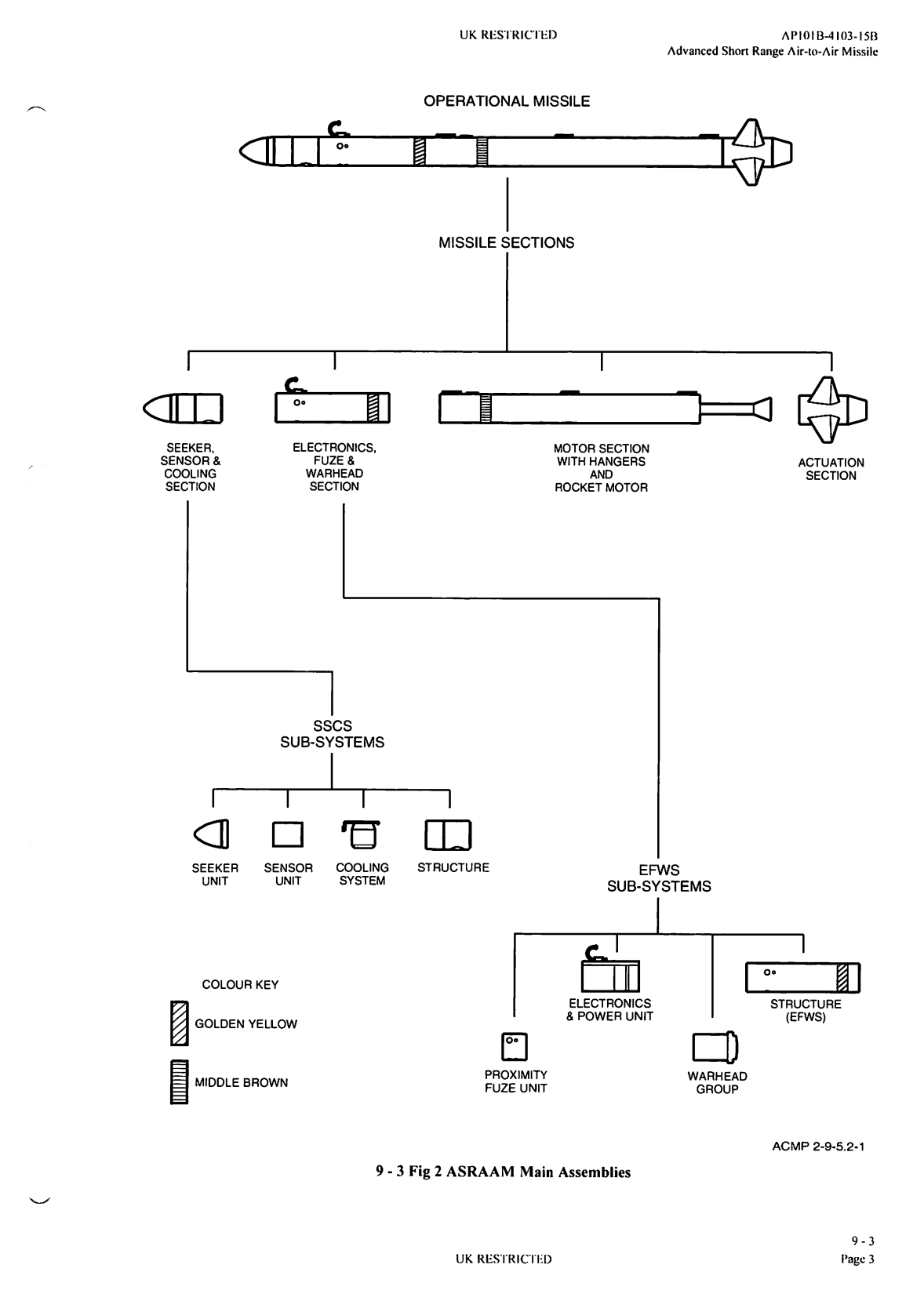
Isn’t it a bit strange that the ASRAAM has no DL? The CAMM is a variant of the ASRAAM with literally only the seeker changed, right? I don’t think changing just the seeker would allow for DL compatibility.
No mention of datalink on any of its marketing materials and nothing about it in the Tornado F.3 manuals which were last amended in 2009.
Could only be in the seeker or electronic sections, neither mention anything about datalink or antenna.
Do we have any documentation for ASRAAM range that puts it at 50km?
The only thing is the slight cope that block 6 might have data link





