- Yes
- No
• Brief Background history:
Known variously as the International, the Liberty Tank, or sometimes as the Allied
or Anglo-American Tank, design work on the Mark VIII started around August‒
September 1917 under Lieutenant G.J. Rackham. This was even before any serious
American interest in the type had been expressed. Soon afterwards Albert Stern
(knighted in 1918), who had been in charge of tank production at the Mechanical Warfare Supply Department, was dismissed from that position by Winston Churchill
and effectively ‘kicked upstairs’ to become Commissioner for Mechanical Warfare, Ministry of Munitions, where once again he became very active in his usual way.
Earlier on, virtually as soon as the United States entered the war in the spring of
1917, Stern had invited the US Military Attaché in London, Colonel Lassiter, to
view some tanks. Although the Colonel seems to have been impressed he was too
overwhelmed with work to do anything about it at that time. A little later Sir Eustace
Tennyson D’Eyncourt (knighted early 1917) invited the US Ambassador and some senior US Navy officers to Dollis Hill to view the tanks. The naval
party led by Admiral Sims and Admiral Mayo supported by about 40 other officers,
were apparently very impressed with what they saw, which led to a suggestion that
tanks, in the American services, should be the province of the United States Marine
Corps, thus initiating an argument that has been going on ever since.
As noted earlier, the Americans were at first very much taken with the design of
the British Mark VI tank, which they proposed to build in the United States, but dropped
this in favour of a new, heavy tank design which ultimately became the Mark VIII.
Meanwhile the British hit upon a plan which would solve the impasse between the
War Office and the Ministry of Munitions over what the War Office claimed was the
unnecessary over-production of Mark IV tanks, which they blamed on Albert Stern
and which was one of the reasons behind his dismissal in the summer of 1917. Since
factory space was now at a premium in Britain it was decided to create a plant in
France, either by adapting an existing building or creating a new one, where Mark IV
tanks could be updated by fitting six-cylinder Ricardo engines and Wilson
transmissions, the so-called Mark IV*. However, nothing came of this. Meanwhile
two American officers, Major James Drain and Major Herbert Alden were appointed
to examine the tank situation in Britain and France with a view to choosing suitable
prototypes for American use. They toured various plants in both countries and soon
came to the conclusion that for a light tank the French Renault FT – or something
based on it – was best, but in Britain they did not really like anything they saw and
felt that a new design was the only answer.
James Drain, acting as General Pershing’s representative, joined Stern’s Allied
Tank Commission, while Herbert Alden, an engineer in civilian life, set about
drawing up the design of a new heavy tank, ostensibly for the 1919 tank programme.
He decided to base its design on the new tank then being drawn up by George
Rackham, but with modifications. Rackham, however, was retained on the
programme and ultimately produced the 101 detailed drawings required.
Although in essence the Mark VIII design followed on from those of earlier
British heavy tanks it incorporated a number of new features that set it apart from the other British designs.
The Mark VIII - Liberty - International Heavy Tank was a British-American project. The American contribution included all automotive elements and
transmission parts including brakes, all electrical items, track pins and internal links,
drive sprockets, wheel and roller spindles and controls, and the UK produced the armoured hulls and armaments.

• General vehicle’s characteristics:
-
In British Service, the tank had 8 crew members, a driver, a commander, two gunners, two loaders, and two machine gunners, unlike the Americans, the British crew did not have a mechanic.
-
The tank was 10.4m long, 3.12m high and 3.81m wide, it had a total combat weight of 37 tons, the British Mark 8 were equipped with a British version of the V12, (some were equipped with V12 Liberty engines) the British V12 consisted of a pair of 150hp straight-six engines adapted into a V12 configuration which would also deliver 300hp (same as the American Liberty engine) Giving the tank a top speed of 6.2mph or 10kph
-
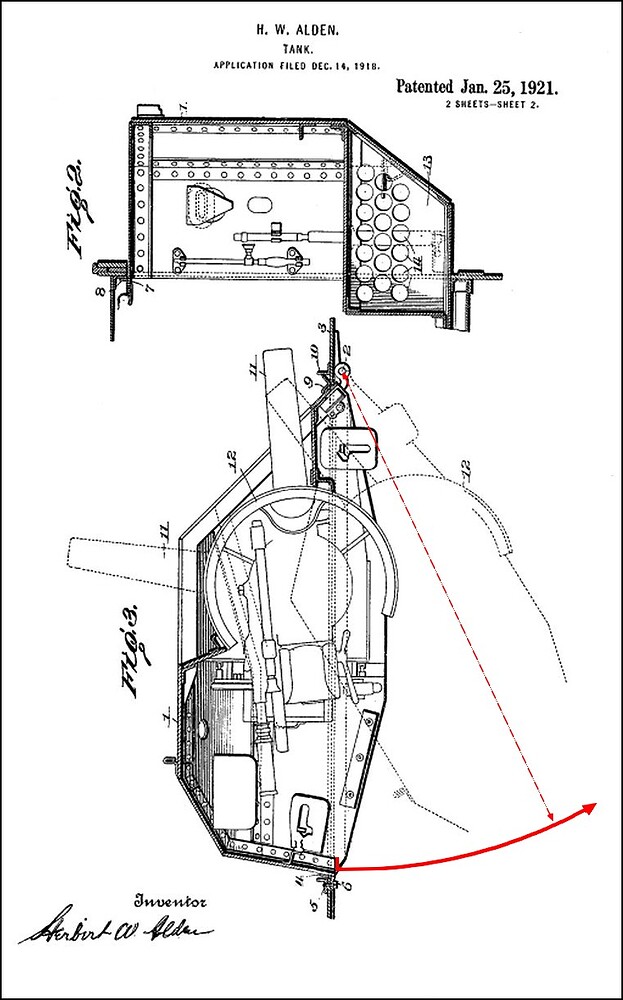
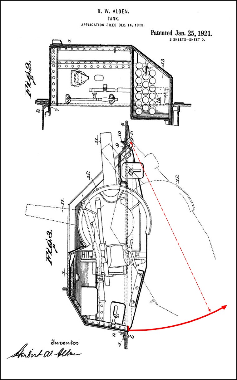
Armor was overall a improvement over other designs 16mm thick on the front and sponsons, 16mm to 12mm sides, 12mm rear, and 8mm to 6mm in less exposed areas like upper-facing surfaces the engine and transmission were located in a armored compartment in the back, sectioned by a bulkhead with sliding doors for maintenance, the side track frames were sectioned by armored inner plates (very similarly to how the Mark V and Mark IV are in war thunder) ammunition storage were protected in armored boxes and the 3 80-gallon fuel tanks are located under armor between the track frames near the rear of the tank.
Click for additional Photos and info:
- So the maximum thickness of the armor didn’t really increase, but the layout of the armor is much better and has better angles over the Mark V heavy tank, side armor was improved, the armor has lots of overlaps with the internal and external parts of the track frames and the engine being located in the back means that the crew is less cramped inside the vehicle, and the chances of a single shot disabling critical components is reduced.
The engine is separated from the crew compartment by a large armored bulkhead, access to the engine compartment was possible through two sliding doors positioned on either side of the bulkhead, for maintenance or repairs. (For simplicity, in War Thunder it could be modeled as a single armored plate)


• Armaments:
- The main armament consists of two Ordnance QF 6-pounder (57mm) 6 cwt Hotchkiss guns mounted on sponsons on the sides of the tank, the same guns as the Mark V tanks, capable of going through up to 37mm of armor with APHE rounds, and up to 51mm of armor using solid AP rounds.
- The British tank was also armed with five .303 Hotchkiss machine guns (instead of the American .30 Browning MG), two mounted at the front of the commander superstructure, two mounted in the side doors on each side of the tank, and one mounted at the back of the commander superstructure.
• Conclusion:
- Overall the Mark VIII heavy tank is a improvement over the previous British designs, bringing a more reliable tank, better protected, more maneuverable and more mobile, with other improvements regarding the crew and components positioning. A direct upgrade to the early British heavy tanks from world war 1, and since the Mark VIII was a combined project it would perfectly fit in the British tree as well.
• Sources:
Online Sources
Panzerserra Bunker- Military Scale Models in 1/35 scale: Mark VIII - Liberty - International heavy tank - case report
Mark VIII Liberty Tank (1918)
Mark VIII tank - Wikipedia
Heavy Tank Mk. VIII Liberty
https://youtu.be/e5dOjp1p_2M?si=yG4-MH5lgOhMaO5_
Surviving British and American Army Mark VIII International Tank













