https://community.gaijin.net/issues/p/warthunder/i/EouURSfftM1W
Take it up with gaijin, they already accepted it.
https://community.gaijin.net/issues/p/warthunder/i/EouURSfftM1W
Take it up with gaijin, they already accepted it.
That is like, a thing that has been done for years?
Dude, you just posted a report using the brochure i used…
Lmao, no.
Find me a modern radar that lacks the ability to interrogate a track as it is found, and instead requires the array to drop the target out of it’s search volume to interrogate it.
And no, battalion level systems with the interrogator as a entirely different unit, not attached to the search radar, does not count.
And?
Define modern radar.
that is literally the feature shown in the video.
No, I don’t think I will.
Cool, it is a shame that gaijin then accepted that other report and does not accept videos as sources then.
then idk what time frame of radars do i need to choose from
https://community.gaijin.net/issues/p/warthunder/i/y0H7BpcYYb8E
Sounds like a you issue then
Nice, has that feature been added yet?
And since I cant quote reply images, Lmao, you think rear facing panels on all of those search radars are IFF interrogators?
You are aware what type of radars you posted are right?
Yes, i do
Well, i am, but im not sure what you mean by this question, so assume i dont, and tell me.
God help you then.
All of them are ESA radars which outright flaunt the fact that their IFF interrogators are built into the main array, such is one of the main selling points of the Arabel.
Its also one of the main requirements put forward by Stanag 4193.
Of course such does not apply to the 1RS1 but that also claims to identify and interrogate targets with dwelling as well.
No, this is not an antenna, or at least not an IFF antenna. This exact same thing is present on the AN/TPQ-36, which has no integrated IFF.
No mention in product card:
No mention in radar repair manual:
Not restricted for clarification:


Only IFF is mentioned for MPQ-64:

The IFF here is basically a standalone system integrated into the whole Sentinel package. Also I don’t see the problem, just wait one half cycle before the IFF gets to pass over and interrogate it (if friendly, they can report their position back). But idk how it’s really handled, it’s not described in any of the documents I have. Putting the relative large IFF antenna on the back means you can keep a small and low profile package as well, one of the main selling points of the Sentinel is being compact.
Anyways, here are some more things I found:
This document actually mentions nothing about back-scan at all, also explicit statement of 2s update time, also nicely gives me the beamwidth of the IFF antenna, and as expected it’s very high elevation coverage.


Anyways given this information, if the IFF was frontal and done with the ESA detecting targets, the IFF has a enormous beamwidth in comparison to the ESA. The only thing that you could use to match detections is distance (through time), but it still would create ambiguity if there are multiple targets at similar distance to the IFF current direction (in that moment’s 12° by 40° sector). The IFF beam isn’t able to resolve elevation (at all) and bearing (not very accurately), unlike the ESA. IFF here just relies on the friendly giving their position for you, hence a 1D/2D (azimuth is not very accurate tho, so idk if it even qualifies as 2D) radar is all that’s needed and can be placed on the rear just fine.
There’s also FM 3-01.11 (which I won’t post here, because it may be restricted). It does sadly not really mention anything useful about the IFF antenna’s location, it was very close to being able to however. But it overal does seem to also confirm that the MWR-05XP radar is largely the same as the Sentinel still.
And then there’s this really stupid (but it occasionally works) source. A quiz card site, where often enough people with (restricted) documents post contents of but seemginly left it open to public, partially. Believe this site previously once led me to discovering a radar/antenna manual for the F-111F, but I digress.
One pretty important picture is included:
And hey, it mentioned in exact words now “electronic back-scan” with an image, showing a limited azimuth sector in front of the array. Now I can not verify the authenticity of this image, but at least one of the images (about the employment guide) is taken from FM 3-01.11. So it’s pretty possible this image orignates form one of the other listed references (among which TM 9-1430-741-10, which is the Sentinel user manual).
It doesn’t say into the main array. Just in the system, which can mean a lot. Here is TRML-3D again, they say integrated as well but clearly the IFF (they also non mistakenly mention as seperate) antenna is not inside the main array.



Also I don’t see how you can read this any other way than backscanning here being that they shift the beam in opposite rate (here in order to capture the same region in space 3 times). They don’t just say backscan for nothing here. Nothing ever is mentioned about rear side scanning, certainly not from this context either.


It is as the modern AN/TPQ-36 is not just a counterbattery radar, it can be used as a standard search radar as well, and just so happens to be the exact system the AN/MPQ-64 was built from, its integrated IFF in it’s modern iterations is why it was used as the baseline.
A modern radar without any IFF functions with the ability to work as a proper search radar for aircraft has little use, even the man portable search radar for LAAD stinger units sports IFF.
There happens to be this little thing called the target moves which is just a bit of an issue, it mattes not how long the target is out of the volume, any amount of time will impede or outright stop the ability of a IFF system from functioning as it cannot search a volume alone, meaning, the moment the main array looses it’s data track, the IFF will not be able to locate the target to interrogate.
And you can just integrate such into the main array or just on the edge of the array like the AN/MPQ-64 or a myriad of other modern systems.
You are forgetting the entire “interrogating” part of IFF functions, uncooperative targets still need to be interrogated before they can be quantified into tracks, to that same end, the IFF system does not need to find targets or deduce speed, velocity, altitude etc, such is provided by the main array in real time, in a sense, the IFF is just directed by the main array to targets to be interrogated.
Does it now, curious then that the system revolves into the the area of the supposed “back scan” you would think that they would call it “fore scan” given its scanning ahead of the array’s angle of rotation.
No thats not showing a similar system as the TRML-4D’s beam dwelling, but hey, you found a search volume for the back scanning though, so its something.
Notice though that the TRML-3D was not included in the pictures that I was responding to.
Like a number of other radars in game, yes the IFF system is indeed usually just attached to the edge of the main search radar, a number of systems have such, but also notice that none of those radars sport a rear facing panel as well.

The HQ-17’s radar for example.

No rear panel present.
I was unable to find sources about ARABEL, so i would be very thankfull if you would share your sources on the fact it performs IFF using main array.
Now for the rest of them
HARD-3D

Back to back mounted IFF antenna

TRS2630
It has to be made clear, that TRS 2630 is not a ESA radar, but a mechanical one, it is a different antenne for the TRS 2620 radar, that has a parabolic reflector. They both share the same IFF, and the only planar array that would be used on a parabolic reflector would be an IFF.



I am awaiting the source regarding the ARABEL, as well as sources that would disprove what i just posted.
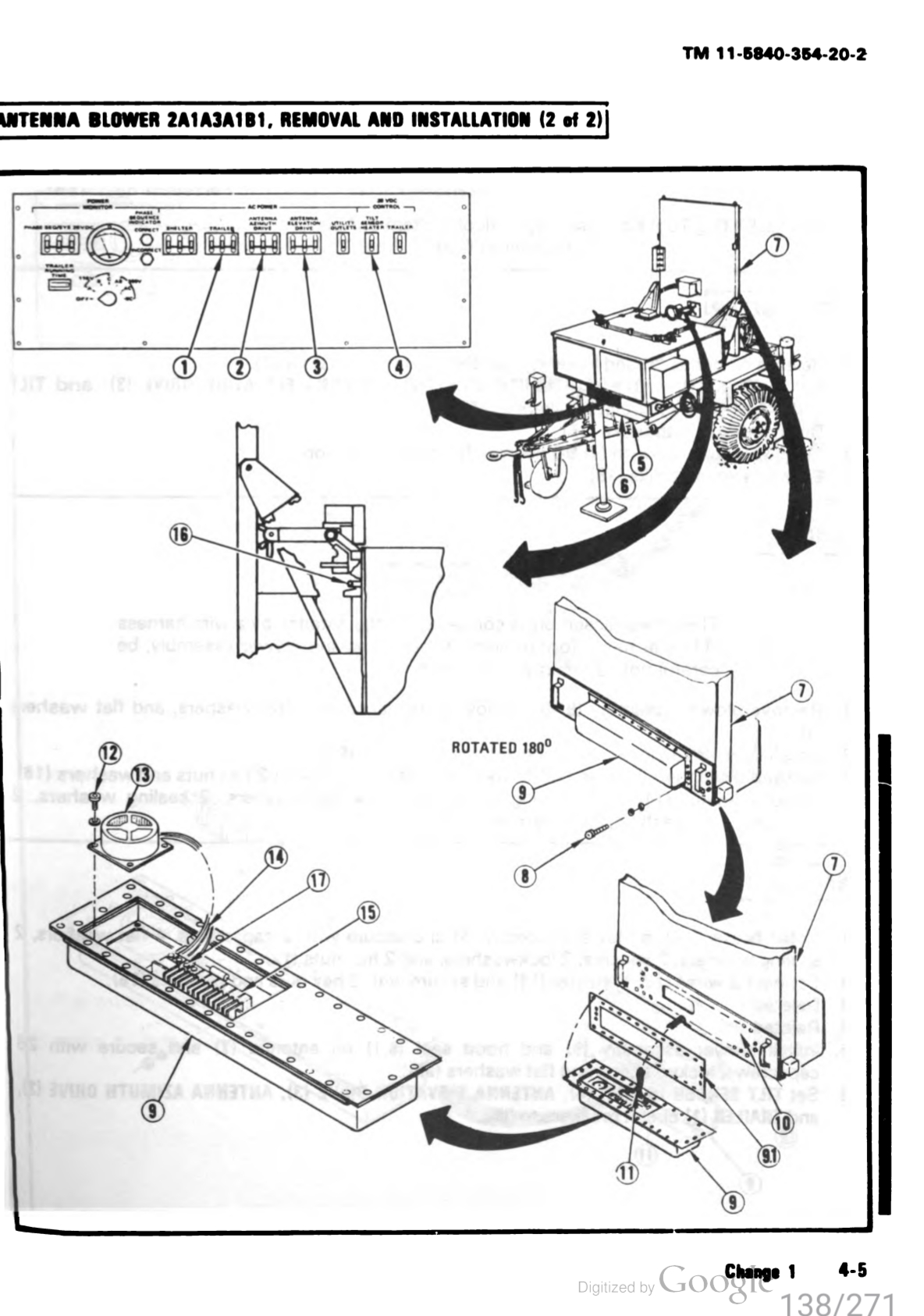
It’s an antenna blower. For air circulation in the ESA I guess.
Tge document is 30+ years old, so I should be able to post it like other old documents. If not, please don’t smite me moderators.
You say modern TPQ-36 however, but do you think this part is an IFF antenna now? Like in the (V)8 version?
Now you can still argue the IFF antenna is integrated with the array, but I don’t know. So far I’ve not seen any convincing sources. The TPQ-36 panel looks pretty identical to that of the MPQ-64, so IFF integration in the array seems unlikely over adding a seperate one.
Also a moving target shouldn’t prevent IFF to be matched to detected targets either when unsynced like this. You have a velocity vector frok your ESA to work that out. This is not much more impossible than TWS trackfiles being updated for M-scan radars which may have a longer update time than 1s. Also the IFF antenna does not scan precisely anyways, given the 12x40° beamwidth.
It also was a requirement on the Sentinal A4 version to add a new IFF antenna which works in a standstill configuration, which may or may not mean the A3 and lower are incapable of doing so (becausw IFF is on the rear). It seems to have solved this by adding an omniddirectional IFF antenna + an electronically steered secondary array (maybe) that is foldable. I found what is lilely the omnidirectional antenna used there, they also have a planar IFF amtenna which quite closely matched the rearside antenna dimensions. I’ll post the relevant things when I get back on my pc.
To add: that thing also houses the heater and temperature switch.
With a interrogation system still present in the main array, and I’d b.et good money now that this system.
Ah so are we working off of assumptions now? I’m sure gaijin will take that as proof.
Planar array antenna, aka is a ESA radar, it happens to be one fo the most basic forms of such. Also, quite interesting that the original 2620 lacks the supposed “IFF antenna” present on the 2630 make.
So I take it that we are just going the route of “if its mechanically rotated its a mechanical radar” then, even though said system is still ESA and can beamform outside of just vertically.
Come to think of it, this is now bordering on thread derailment so I’m going to get back to speaking about the components of the actual MPQ-64.
Post AN/TPQ-36A, the variant of the system that became the AN/MPQ-64.

One identifying feature of the initial makes of the TPQ-36 is that the assembly present here retains no external hump, its a singular rectangle, I also have no knowledge of any general search radar functionalities of the TPQ-36 before the A.
As stated, as far as I am aware, the AN/TPQ-36 was not initially capable of IFF, or tracking things other than projectiles in it’s initial form.
You are inferring that the track would stay relevant for enough time for that to work. Even a second of deviation would mean that the track would possibly not be in the same location to be interrogated by the time said IFF panel, even with it’s large scan volume, would see it, and unless the panel was capable of generating some track data, at least enough to corroborate the main array’s data after the scan, it would not function.
Now, if it only gathered data from friendly IFF receivers then this would not be a issue as those systems provide the receiver with the needed positional data, but if thats all it could do then we have the issue of the system now not being able to interrogate uncooperative targets.
The A4 is a total redesign of the system from the ground up, it’s only similarities are it’s name and a small subset of parts, its not really comparable.
While I would say that the top panel present would be the IFF antenna since it would be in a similar configuration to other systems in the US inventory, it is odd that it seems like it can be stored / removed along with the aerial next to it.
Lockmarts own marketing seems to have it absent / stowed and similar systems in the field are also missing it.

There is also no rear facing equipment or arrays on the A4.

Regardless, the A4 is not really indicative of earlier AN/MPQ-64s since its a total re-design.
The last sort of “relevant” MPQ-64 design was the A3 and that upgrade, IFF wise only slotted in a new IFF unit, all it’s exterior components remain the same as far as I am aware.
Whats odd about that is there is a claim that a additional S band radar was added to the A3 for improved performance against countermeasures and detection, so there is the possibility that this is what the rear panel actually is as, on the A3, there is no visible changes to the main array present, the front is identical to the prior models.
The F1 however does pull this into question as it has a small little box added to the top of the array which could be such a upgrade, however, I cannot find a image of the A3 with a similar addition, to that same end the F1 also sports a rear panel like the A3.
Whats odd as well, is that the F1 from Raytheon UK’s website lacks that small panel on top and claims the same performance, while Konigsberg’s website for the F1 retains the box.
EG the Thales Raytheon brochure F1

VS the Konigsberg F1

As stated, both claim to have functionally the same capabilities. It would make sense if that was the supposed S band radar added to the A3, but, once again, the A3 looks exactly like the Thales take on the F1, and to that same end, we already know that the main array is X band only, so to have a S band emitter along with it, you’d think that there needs to be an additional emitter, somewhere, which would make sense with Konigsberg’s design but not Thales F1 or the Raytheon A3.
Something else that is interesting is that the F1, per Raytheon, has the counter battery capabilities that arrived to the US in the A3.

In the end, for the A3, I’d like to know what the quote “government off the shelf adjunct sensor” is on the actual unit.
Something else that I’ve noticed is that in FM 3-01.11 (wont post here as it, is from 2007, still available online publicly, feel free to look it up yourself), it specifically states that the main antenna group includes the IFF interrogator system. What I find interesting as well is that it states that there is a ECCM antenna attached to the antenna pedestal that rotates with the unit, and given I cannot find any outwardly visible difference on the system between the A1, F1 (minus the little panel on top) and A3, I’m wondering if the rear panel is said ECCM antenna, namely the one that might have been upgraded to a S band emitter in the A3.
You do undersand they are not the same thing, right?
Planar array is a way of making the radar antenne, in contrast to for example a parabolic reflector, it is not equal to them having electronic steering.
or are you going to tell me these radars are ESA?

Sure provide proof.
It is quite a strong assumption, conisdering all things around, but please, prove me wrong.
yes, it seems to be missing from the dish. I am trying to find a image of it, but images of 2620 are quite rare.
you are right on this one, i have missremebered it, Pantsir radar is indeed ESA.
Hmmm yes, these aerial radars operate in the exact same way as a ground based radar with no physical means to actuate on the Y axis.
Nah, I’m not humoring this anymore, if you want to talk about other radars go and do so elsewhere, we cant talk about the AN/MPQ-64 however.